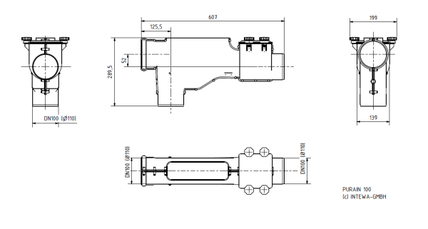
Kurzübersicht:
- patentierter, selbstreinigender Filter
- für Regenwassernutzung
- mit Edelstahl Trapez-Spaltsieb
Durch die Technik des Wechselsprungprinzips reinigt sich der Filter von alleine. Die Vorlage für den PURAIN Regenwasserfilter lieferte die Natur: An fast jedem Bachlauf kann man sehen, wie der Wechselsprung funktioniert. Das Wasser fließt über einen von der Strömung gerundeten Stein. Beim Auftreffen in der Senke entsteht dann ein Strömungswirbel, der als Wechselsprung bezeichnet wird. Durch die Energie des Wassers werden leichte und schwere Partikel dann über die nächste Stufe wieder nach oben befördert und anschließend weiter flussab getragen.
Optional mit Rückspüldüsen-Set:
Bei Filtern, die in schwer zugänglichen Zisternen eingebaut werden, empfehlen wir das Rückspüldüsenset PR-RSDS.
Die Rückspüldüse wird in den PURAIN Regewasserfilter hinter das Sieb installiert. Hierzu wird sie durch den Filterablauf von innen durch die vorhandene Bohrung geführt und von außen mit der Reduzierung gekontert. Über eine Gartenschlauch-Steckkupplung wird sie an einen Wasserschlauch angeschlossen. Der Wasserschlauch wird wiederum am besten an die Regenwasserdruckleitung angeschlossen. Eine Spülung kann nun mittels eines Handventils manuell oder eines Ventils mit Zeitsteuerung automatisiert durchgeführt werden.
Weitere Infos zum Purain Filter: https://www.youtube.com/watch?v=gM9AGsUKdwM&t=72s